Перед всеми, кто создает отопление самостоятельно, возникает вопрос, — что проще всего сделать своими силами и что будет дешевле.
Наиболее часто решается вопрос в такой интерпретации, — применить тупиковую схему или выбрать другую разводку труб…
По оценкам специалистов, при создании отопления в домах, в 9 случаях из 10 применяется тупиковая система….
Когда можно сделать отопление самостоятельно
За самостоятельный монтаж системы отопления можно браться, когда вся система относится к понятиям «не сложная» и «не большая». Под такими терминами специалисты обычно подразумевают:
- «Не сложная» — только один основной насос в котле и максимум три контура – радиаторы, теплые полы, и бойлер. Нет других ответвлений, нет гидрострелки или схемы первичного кольца, а также узлов понижения температуры смешением (защита твердотопливного котла сюда не относится).
- «Не большая» – площадь отапливаемого этажа до 150 м кв., дома – до 300 м кв. Тогда не нужны расчеты или особый опыт по подбору диаметров труб, расстановка радиаторов не сложная, а также имеется возможность применить самую простую и дешевую схему – тупиковую.


Чем хорошим отличается тупиковая схема
Тупиковая схема самая простая в монтаже и наладке. А также самая дешевая. При этом работает она наиболее стабильно. При сравнении с другими вариантами разводки труб, здесь отсутствуют значительные недостатки.
Важно то, что тупиковую разводку можно выполнить в следующих вариантах.
- Разделить один тупик на несколько тупиковых ответвлений, что выручает при сложной конфигурации помещения.
- При необходимости на одно плечо установить повышенное количество радиаторов и сделать, так называемую «глубокую балансировку» — значительное повышение гидравлического сопротивления коротких плечей и первых по ходу радиаторов.
- Проложить трубопровод скрытно под полом, или под обшивкой потолка для 2 этажа. При этом магистрали большого диаметра можно сделать короче, а подводки к радиаторам – длиннее. Или же проложить поверхностно по стенам при необходимости.


Недостатки других схем
Явными недостатками других схем отопления является следующее.
- Лучевая
Повышенная стоимость из-за большей длины труб и наличия коллектора. Также ее создание возможно только скрытно (разводка под полом) и в случае, когда коллектор удается разместить в помещении на примерно одинаковом удалении от всех радиаторов, чтобы избежать глубокой балансировки. - Попутная
Повышенная стоимость системы из-за большего диаметра магистрали. Во многих случаях возмножна только скрытая прокладка, так как по стенам замкнуть кольцо бывает проблематично из-за планировки помещений.
Желательно чтобы радиаторы с их подключением имели примерно одинаковое сопротивление, а также – отсуствие ступеньки в диаметрах труб. В противном случае потребуется сложная балансировка, возникает нестабильность работы, возможно выпадение радиаторов (холодные радиаторы в середине кольца). - Однотрубная
Повышенная стоимость из-за большого диаметра, ограничение по количеству радиаторов (только малая площадь), проблемность прокладки кольца снаружи, нестабильность при перепадах давления (скорости струи).


Когда можно применить тупиковую схему
Как видно из схемы первый радиатор в тупике получит больше всего теплоносителя и будет самым горячим. Последний меньше всех. Но насколько это критично? Выровнять температуру радиаторов можно их балансировочными клапанами.
- При 5 радиаторах разница в температуре между 1-м и последним обычно не более 10%. В принципе можно даже не балансировать.
- При 6 радиаторах разница может достигать и 25%, при общем недостатке расхода от насоса, устранять можно обычной балансировой, приглушая первые 3 радиатора.
- При 7 радиаторах в тупике, нужна уже т.н. «глубокая» балансировка, — значительное повышение общего сопротивления системы, что неблагоприятно сказывается на насосе, влечет применение более мощного, перерасход электроэнергии… Подобных ситуаций нужно избегать по возможности.
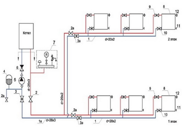
Тупиковая схема на 2 этажа
Обычно требуется отопить и 2 этаж, в качестве которого в большинстве случаев (когда ведется самостоятельный монтаж) выступает мансарда.
Как сделать ответвление на 2 этаж при тупиковой схеме?
Достаточно установить на подаче и обратке от котла тройники: ответвления на 1 этаж и 2 этаж.
На каждом этаже как правило удобно разделить радиаторы на 2 тупиковых плеча. Например:
- Правое 1 этаж – 5 радиаторов
- Левое 1 этаж – 4 радиатора
- Правое 2 этаж – 2 радиатора
- Левое 2 этаж – 1 радиатор
Как разделить направления на «левое и правое плечо» на каждом этаже? Нужно установить тройники на подачу и обратку и этого достаточно.
Пример тупиковой разводки на 2 плеча — гидравлическая схема для монтажника.


Как осуществляется балансировка
Распределение расхода жидкости в указанном примере, при обычной отапливаемой площади около 200 м кв, как правило происходит естественным образом, без установки дополнительных балансировочных кранов на ответвлениях. При необходимости настройка выполняется кранами на самих радиаторах. Насосной установки 25-40 (или насоса в автоматизированном котле) достаточно, чтобы все радиаторы прогревались.


Но при значительно меньшем гидравлическом сопротивлении одного направления, по сравнению с остальными, нужно предусмотреть установку в его трубопроводах балансировочного крана. Например, установить балансировочный кран на ответвление подачи 2-го этажа, где только 2 – 3 радиатора, а на первом – 10 – 11, диаметр труб при этом одинаков.
Какой диаметр труб
Опыт создания систем отопления в небольших (до 250 м кв.) домах позволяет монтировать новые тупиковые системы не прибегая к сложным гидравлическим расчетам. Известно, что достаточным диаметром трубопроводов, чтобы скорость теплоносителя не превышала 0,7 м/сек., является:
- От котла до первого разветвления – 26 мм, тройник устанавливается соответственно – 20-26-20.
- Магистрали в плечах до предпоследнего радиатора – 20 мм, тройник 20-16-20. При количестве радиаторов до 5.
- Если радиаторов в плече 6,7,8, то тогда до 2 радиатора – 26 мм, далее 20 мм, последний 16 мм.
- Отводки на радиаторы и подключение последнего радиатора – 16 мм.


При общем кол-ве радиаторов в 4 — 5 шт. возможно вообще обойтись без дорогих диаметров 26 мм.
Эти значения для металлопластика. Для полипропилена — наружный диаметр 32, 25, 20 (мм) соответственно.
Схемы тупиков для различных вариантов
- Разводка для второго этажа. Особенности – лестничный марш является преградой, небольшое количество радиаторов. Одно плечо для 5 радиаторов делится на 2 тупика. Разводка под обшивкой потолка.


- Разводка для сложной конфигурации помещений. Прокладка трубопроводов под полом. Все разветвления при помощи тройников.


- Схема тупиковой системы отопления при наружной прокладке и сложностях в планировке помещений. Принято одно плечо на 7 радиаторов и глубокая балансировка.


Особенности самостоятельного создания системы
Существует мнение, что дешевле и проще создать тупиковую систему из полипропилена. Ведь пайка самостоятельно не сложна.
На самом деле это весьма рискованное действие, так как возможен брак пайки с уменьшением внутреннего просвета труб и система работать должным образом не будет. Придется все переделывать с неизвестным результатом.


Гораздо надежней создать отопление самостоятельно из металлопластика. Для монтажа компрессионных фитингов понадобятся лишь простые ключи. Подробней о надежном монтаже фитингов для металлопластиковых труб