- Схемы обвязки
- Однотрубная схема
- Двухтрубная
- Элементы обвязки
- Циркуляционный насос
- Расширительный бак
- Другие элементы обвязки
Как обычно работает система отопления? Сердцем ее является котел, которые перерабатывает энергию сжигания топлива в тепловую. По-простому, в котле нагревается теплоноситель, который по трубам движется к радиаторам, здесь и происходит отдача тепла в помещение. Далее остывший теплоноситель движется обратно к котлу и процесс повторяется. Так вот, все что находится между котлом отопления и радиаторами и называется обвязка газового котла. Сюда входят:
- Соединительные трубы, которые создают два контура: подачи и обратки.
- Запорная арматура.
- Расширительный бак.
- Циркуляционный насос, если он включается в систему отопления.
- Система автоматики.


Обвязка – это достаточно сложное устройство, основную роль в которой играет схема ее составления. Чем сложнее схема, тем больше материалов приходится затрачивать. Но при этом функциональность ее становится эффективнее. К примеру, за расширение теплоносителя отвечает расширительный бачок. Без него в процессе нагрева теплоносителя трубы могут не выдержать давления и лопнуть.
В некоторых схемах обвязки газового котла отопления без циркуляционного насоса просто не обойтись. К примеру, схема обвязки «Ленинградка», где радиаторы установлены последовательно относительно друг друга. Дешевая и простая схема, но теплоноситель по комнатам распределяется неравномерно. Чтобы достичь равномерности, приходится устанавливать насос. И это практически единственный вариант.
Автоматика следит за правильной работой всего отопления. Особенно это касается температурного режима. За развоздушивание отвечает кран Маевского. Чтобы контролировать движение теплоносителя, за его распределение по контурам отвечает запорная арматура. В этом плане надо отметить коллекторы. Если в отопительной системе присутствуют основной контур и дополнительный (теплый пол), то без коллектора развести теплоноситель правильно просто не получится.
Из всего вышесказанного можно сделать один очень важный вывод. Обвязка котла дает возможность сэкономить на потреблении топлива, сделать всю систему безопасной и удобной в эксплуатации. В принципе, это и есть ее основные функции.


Схемы обвязки
Существует две схемы обвязки, которые сегодня используются чаще всего.
- Однотрубная.
- Двухтрубная.
Однотрубная схема
Как было сказано выше, это самая простая и дешевая обвязка котла, в которой используется минимальное количество материалов. Схема ее такова:
- Котел, установленный в помещении, соединен с радиаторами отопления трубой, которая отходит от него в горизонтальной плоскости, чаще всего по уровню пола. Иногда проектируется проводка в теле пола, так называемая скрытая проводка.
- Здесь используется один контур, который схематично представляет собой кольцо.
- Радиаторы отопления могут соединяться последовательно от прибора к прибору. Скажем прямо, не самая лучшая схема, потому что малоэффективная.
- Второй вариант – «Ленинградка». Здесь совершенно другой подход. От котла отводится труба, которая проходит по всем комнатам, возвращаясь к отопительному агрегату. При этом радиаторы врезаются параллельно контуру, но последовательно между собой. Более эффективный вариант.
Оба варианта чаще всего используются в одноэтажном домостроении. Но если установить в систему циркуляционный насос, то схема может быть использована и в многоэтажных домах.


Двухтрубная
Это более затратная схема, в которой подающий контур выходит вверх (он называется стояком) и проходит под потолком или по чердачному помещению. От него к каждому радиатору спускается труба. А вот обратный контур располагается у пола, к нему от каждой батареи врезается патрубок, проводящий охлажденный теплоноситель. Именно такая схема обвязки позволяет распределить теплоноситель по всем помещениям равномерно.
Здесь, как и в случае с однотрубным вариантом, можно установить насос. Но, как показывает практика, в малоэтажном строительстве неплохо работает схема с естественной циркуляцией теплоносителя, что позволяет неплохо сэкономить на потреблении электроэнергии.


Элементы обвязки
Давайте рассмотрим несколько основных приборов и устройств, которые чаще других сегодня входят в обвязку газового котла.
Циркуляционный насос
Его стараются устанавливать в том случае, если:
- Теплоноситель не может сам преодолеть сопротивление контура за счет его слишком большой длины или сложности конфигурации.
- В том случае, если между первым от отопительного агрегата и последним радиаторами слишком большой перепад температур. Это в основном касается однотрубной обвязки.
- Если отопительная система используется не постоянно. В этом случае приоритет отдается быстрому нагреву теплоносителя.
Обычно циркуляционный насос устанавливается у котла на обратном контуре. Почему именно здесь? В конструкции насоса устанавливаются резиновые манжеты и прокладки, которые под действием высоких температур быстро выходят из строя. На обратном контуре температура теплоносителя самая низкая.


В маломощных отопительных системах устанавливаются компактные насосы с мокрым ротором, смазка которого производится самим теплоносителем. Их мощность не превышает 100 Вт, так что расход электроэнергии не очень большой. Но в любом случае специалисты рекомендуют около насоса устанавливать байпас, который будет отсекать его в случае с проблемами подачи электрического тока. То есть схема будет работать уже с естественной циркуляцией теплоносителя.
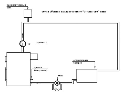
Расширительный бак
Этот подраздел хотелось бы начать с одного очень важного момента.
Внимание! Если вы хотите самостоятельно провести сборку системы отопления, то есть провести обвязку газового котла своими руками, тогда выбирайте простую схему (она может быть не только однотрубной) и установите расширительный бак открытого типа. Никакого циркуляционного насоса и других сложных приборов.
Это неплохой вариант, который будет эффективно работать. Единственный момент – это установка бака выше всех контуров отопления минимум на полметра. Такое расположение дает возможность выводить воздух из системы, расширяться теплоносителю при нагреве. К тому же именно отсюда можно организовать заливку воды.


Есть расширительные баки закрытого типа, так называемый мембранный вариант. Их установка в отопление подтверждается наличием циркуляционного насоса. То есть оба прибора должны обязательно присутствовать. А вот точка установки не определяется каким-то определенным местом. Хотя чаще всего это участок около газового котла перед циркуляционным насосом. Здесь важно, чтобы участок трубы был прямолинейным и в нем было меньше всего завихрений воды.
Сегодня нередко наряду с баком монтируется сбросной клапан. Если вдруг теплоноситель закипел, то есть возможность сбросить его часть, чтобы предотвратить разрыв труб. Обычно выходной патрубок сбросного клапана напрямую соединен с канализацией.
Другие элементы обвязки
В настоящее время в схему обвязки обязательно устанавливаются два устройства:
- Воздушник.
- Грязевик.


Почему они так важны?
- Во-первых, воздушные пробки внутри отопительной системы – это невозможность движения теплоносителя. Особенно это будет важно в системах с естественной циркуляцией теплоносителя. Сегодня производители предлагают два основных варианта: краны Маевского (это ручные воздушники) и автоматические конструкции. Оба варианта прекрасно работают, только первый самый дешевый, второй самый дорогой.
- Во-вторых, грязевики собирают солевые отложения и частицы накипи, которые мешают двигаться теплоносителю внутри труб. Для газовых котлов, где установлены циркуляционные насосы, это просто необходимый прибор. Последние быстро выходят из строя, если качество теплоносителя на низком уровне. Грязевики устанавливают перед насосом.
Вот такие приборы и устройства входят в обвязку газового котла. Конечно, это не все, но основная их часть. Сюда можно добавить вентили, задвижки, счетчики, терморегуляторы и прочее. Как уже было сказано выше, чем сложнее обвязка, тем эффективнее работает отопление.