- Поколения автоматики для водяных насосов
- Как подключить автоматику
Насос, установленный в скважину или колодец, для перекачки воды в системе домашнего локального водопровода, это всего лишь прибор, который качает воду. Сам же водопровод – это трубная разводка с переходниками и распределителями. То есть, водопроводная система загородного дома – простейшая схема. Но чтобы она работала эффективно, необходимо в нее установить блок управления. По сути, это всего лишь автоматика для насосов водоснабжения, которая регулирует работу насоса. А точнее, включает и отключается его по мере необходимости.


Данная необходимость возникает в том случае, если открывается какой-либо потребитель, значит, насос надо включить. И он выключается, когда потребление воды прекращается. То есть, блок автоматического управления водяным насосом работает от того, падает ли давление воды в трубной разводке водопровода или нет. Без него насос пришлось бы включать и отключать вручную. Конечно, наличие накопительного бака решает некоторые проблемы с давлением в водопроводе, особенно, если его установить выше уровня установки потребителей. Но даже в этом случае пришлось бы наполнять его, включая насос вручную. И отключать пришлось бы самостоятельно, контролируя наполнение емкости.
Блок управления решает это проблему в плане полного отсутствия присутствия человека в процессе подачи воды на потребители в доме. К тому же нет необходимости устанавливать в систему локального водопровода сложные устройства и приборы. Автоматические системы для водоснабжения дачи или загородного коттеджа не отличаются сложность, да и цены у них умеренные. То есть, вложив небольшие деньги в покупку, к примеру, автоматики для погружного насоса, вы решаете проблему постоянной подачи воды в дом с определенным давлением.
Поколения автоматики для водяных насосов
Необходимо отметить, что блоки управления водяным насосом на даче делятся по поколениям. То есть, какие-то были изобретены раньше других. И с каждым разом в автоматике появлялись дополнительные опции и функции. Но надо отметить, что принцип работы у всех блоков в независимости от поколения один и тот же.
Чтобы разобраться в данном вопросе, хотелось бы рассмотреть самый простейший элемент автоматической системы управления насосами, который называется реле давления.


Внимание! Блок автоматики в виде реле давления требует наличие в водопроводной системе такого элемента, как гидроаккумулятор. Без него говорить об эффективной работе реле не приходится.
Чтобы разобраться в том, как работает реле давления, надо понять принцип работы самого гидроаккумулятора.
- По сути, это металлический бак, в котором установлена резиновая мембрана в виде груши. В нее и будет закачиваться вода.
- Между баком и грушей остается пространство, которое заполняется в заводских условиях воздухом под давлением 1,5 атм.
- Вода расширяет мембрану, стенки которой сжимают воздух до максимального давления 6 атм. То есть, сжатый воздух будет давить на грушу, выталкивая из нее воду.
Так вот реле давления настраивается на две позиции (нижнюю и верхнюю), с помощью которых будет соответственно включаться или отключаться насос. Закачал он воду в бак до определенного давления, сработало реле, он отключился. Воздух, выдавливая воду, снижает свое давление до определенного уровня, после чего включает насос. Система работы нехитрая, но она и лежит в основе реле водяного насоса. То есть, это устройство из двух позиций, которые можно настроить.
Двум позициям соответствуют малая и большая пружины реле. Для настройки включения станции (нижний уровень давления) используют большую пружину, а для настройки выключения (верхний уровень давления) малую. Регулирование верхнего и нижнего пределов реле давления насосной станции осуществляется ослаблением или закручиванием гаек, которые сжимают или разжимают пружины. Все регулировки необходимо производить с осторожностью. Обычно заводские настройки обеспечивают оптимальный режим работы, но иногда необходимо вмешательство, если с реле возникают проблемы.


Сегодня производители автоматических систем предлагают различные устройства, которые могут работать и без гидроаккумуляторов. Они снабжены дополнительными функциями, но принцип работы у них точно такой же. Просто в водопроводную сеть устанавливают датчики, которые отслеживают давление в трубопроводе, реагирую на его падение или повышение.
Необходимо отметить, что современная автоматика для скважины с погружным насосом может контролировать полностью все процессы, связанные с водоснабжением дачи на загородном участке, или частично только некоторые ее функции. Есть предложения более сложных систем, которые не только контролируют работу водопровода, но и программируют ее по заданным параметрам.
Более сложные автоматические системы, установленные к насосам, могут контролировать конкретные функции агрегата. К примеру, перегрев его двигателя или работу вхолостую. То есть, они реагируют на неправильную работу установки, которая может привести к поломке, а значит, к непредвиденным денежным расходам.
Итак, перейдем к рассмотрению блоков управления погружными и поверхностными насосами, которые делятся на три поколения. Сразу обращаем ваше внимание на тот факт, что все они делятся не только по сложности схемы управления, но и по типам выполняемых конкретно поставленных задач.


Автоматика первого поколения
К этому типу автоматики относятся:
- реле давления;
- выключатель сухого хода;
- поплавковый выключатель.
Это простейшие приборы, которые не могут организовать работу водопроводной системы в полном автоматическом режиме. Честно говоря, никто таких требований им и не ставил.
О реле давления выше уже говорилось. Напомним, что это дешевый и удобный в использовании элемент. Выходит из строя он редко, но даже в этом случае заменить его новым – не проблема. Конечно, единственный его минус – это требование наличия гидроаккумулятора. То есть, без него реле с поставленными задачами вряд ли справится.
Что касается поплавкового выключателя, то это уникальный прибор, который отключает и включает насос в зависимости от уровня выкачиваемой воды в колодце. Колодезные насосы с автоматикой данного типа могут быть использованы как в колодцах, так и в скважинах. Основное к ним требование – это наличие свободного пространства для самого выключателя. Ведь он работает по принципу коромысла, поднимаясь или опускаясь вдоль самого насосного агрегата.


Как только поплавок опускается вниз до определенного уровня, насос тут же отключается. То есть, работать вхолостую он не будет. Уровень воды в колодце начинает подниматься, значит, поднимается и сам поплавок. Это сигнал к тому, что насос может начинать качать воду. Весь смысл данного устройства заключается именно в том, чтобы не дать насосу работать без воды. Ведь именно она является охлаждающей жидкостью, которая снижает температуру электродвигателя и вращающихся деталей.
И последний в этом поколении – блокиратор сухого хода. Обычно его используют только в поверхностных насосах. Он останавливает насос в том случае, если внутри агрегата нет жидкости.
Автоматика второго поколения
Управление водяными насосами автоматикой второго поколения – это более серьезная схема, в которой установлены различные датчики, сбрасывающие сигналы на микросхему. Последняя и контролирует все процессы, связанные с водоснабжением загородного дома. Сами датчики устанавливаются и на насос, и в трубопроводы, и в накопительные емкости, и в другие ответственные места домашней водопроводной сети.
Сам же блок в основном выполняет функции реле давления. Просто для него уже нет необходимости устанавливать гидроаккумулятор. Он будет включать насос, как только будет открыт один из потребителей. То есть, давление воды внутри водопровода будет падать, что и станет причиной включения прибора.


Правда, данный контролер водяного насоса снабжается и дополнительными датчиками, а значит, и функциями. К примеру, он может контролировать:
- температуру перекачиваемой жидкости;
- температуру электродвигателя насоса;
- присутствие сухого хода;
- уровень жидкости в колодце или скважине.
Он также может среагировать на аварийную ситуацию в системе водоснабжения. И это, скажем прямо, не все функциональные возможности. Что касается недостатков, то в первую очередь эти блоки управления стоят дороже, они требуют более тонкой настройки, большое количество датчиков – это повышение риска выхода из строя одного из них.
Автоматика третьего поколения
Про эти устройства можно сказать так – они создают умные насосы для скважины. Стоит такая автоматика недешево, но свою стоимость они отрабатывают сполна. По сути, это все та же электронная автоматика, но с более расширенным функционалом.
В основе ее лежит возможность настраивать работу электродвигателя насосного агрегата. Необходимо отметить, что моторы насосов работают в одном режиме, то есть, вращаются с одинаковой скоростью. Изменить скорость вращения вручную невозможно. А в некоторых ситуациях это изменение просто необходимо. К примеру, открыт один из потребителей, автоматика тут же включает насос на полную мощность, которой бы хватило сразу на все потребители. То есть, такая мощности для одного крана просто не нужна.


Блок автоматики третьего поколения не только отреагирует на падение давления в трубопроводе, но и определит, какова скорость падения, чтобы включить насос в определенном режиме. А делается это просто – в зависимости от напряжение подающего тока. Включили один кран, подали сниженное напряжение, включили все потребители, подали максимально возможное напряжение.
То есть, автоматика для вибрационных, центробежных насосов (и других моделей) третьего поколения может регулировать электрический ток. Чем меньше напряжения на моторе, тем медленнее он вращается.
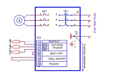
Как подключить автоматику
Надо обязательно разобраться с управлением водяными насосами – схемой их подключения. В принципе, все устройства приходят с насосами в комплекте и являются их неотъемлемой частью. К примеру, такие блоки, как поплавковый выключатель или температурный датчик – это встроенные в сам прибор приспособления.
Только реле давление приобретается, как отдельный элемент. Его устанавливают в гидроаккумулятор. Что касается звукозащитных устройств для погружных и поверхностных насосов, блоков третьего поколения, то их устанавливать своими руками не рекомендуется. Слишком тонкая у них настройка, плюс, непростая схема подключения с большим количеством всевозможных датчиков.


Итак, поверхностные и погружные автоматические насосы для колодцев и скважин – это реальная возможность организовать автоматическую водопроводную сеть, работающую, как обычный центральный водопровод. Небольшие вложения, и за городом работает полноценный водопровод с забором воды из скважины или колодца.