- Варианты туалетов
- Что выбрать
Уличный туалет на даче – это реальность XXI века. И, как показывает жизнь, утилизацией нечистот приходится заниматься с завидным постоянством. А дело это грязное и неприятное, особенно это касается запаха. Да и сами туалеты с выгребными ямами издают неприятный запах в процессе их эксплуатации. А жить на даче хочется с комфортом. Конечно, можно обустроить его внутри дома, но есть варианты другие. Итак, что собой представляет туалет для дачи без запаха и откачки.


Варианты туалетов
Существует несколько туалетных конструкций, которые можно отнести к категории без запаха и откачки.
- С установкой септика.
- Биотуалет.
- Пудр-клозет.
Туалеты с септиками
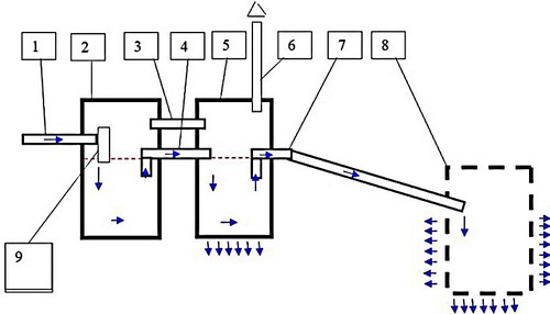
Этот вариант, как отдельно стоящая конструкция, на дачах не используется. То есть, устанавливать септик только для одного туалета – это слишком большие расходы. Можно соединить туалет с септиком, который утилизирует канализационные стоки всего дома. Тогда это выгодно. Но при этом придется учитывать тот факт, что сливная система туалета должна быть основана на обычном унитазе. То есть, с применением слива водой.
А значит, в туалет придется устанавливать унитаз с бачком, подводить к нему воду, и сооружать сливную систему с установкой канализационных труб. Это на самом деле будет туалет на даче без запаха. При этом утилизация илового осадка учитывается, но производится она очень редко, ведь бактерии, которые перерабатывают органику, практически не оставляют ничего. Небольшой осадок скапливается годами. Но специалисты рекомендуют откачку ила производить один раз в 2-3 года. Конечно, это несравнимо с выгребной ямой.


Конечно, можно соорудить конструкцию септика своими руками только для сортира, и тем самым решить проблему туалета без запаха. Для этого придется установить две или три герметичные емкости, соединенные между собой переливами. К примеру, можно воспользоваться пластиковыми или металлическими бочками. Одну надо будет установить прямо под туалетом, а остальные рядом с ним. И чем больше общий объем септика, тем реже придется производить его откачку. Правда, придется обустраивать слив осветленной воды из септика. Для этого можно, например, установить еще одну бочку, только негерметичную. Чтобы через нее вода поступала в водоносные слои в грунте.
Биотуалет
В основе работы этой модели лежит принцип переработки фекалий специальными бактериями или при помощи химически активных веществ. По сути, биотуалет – это унитаз или емкость, похожая на него, в которой собираются нечистоты и перегнивают в нем за счет использования биологически активных компонентов. То есть, со временем внутри емкости образуется компост, который и придется утилизировать.
Конечно, назвать все модели биотуалетов «без запаха и откачки» нельзя. К примеру, торфяной вариант. Чтобы переработать фекалии в нижнюю часть унитаза сбрасывается торф или опилки, которые помогают быстрейшему перегниванию органики. Если не обеспечить такой туалет хорошей вентиляцией, то запах будет распространяться на всю туалетную кабинку. Само собой, утилизировать накопления придется достаточно часто, потому что емкость резервуара не очень большая.


Хотя сегодня производители предлагают достаточно большие туалетные сооружения с торфяной переработкой, емкость которых может обеспечить семью из двух-трех человек на 4-5 месяцев работы без откачки. При этом это уже готовые туалеты с вентиляцией.
Производители биотуалетов предлагают также и компактные устройства, которые не источают неприятного запаха. По внешнему виду они очень похожи на унитаз с крышкой, который установлен на небольшую емкость. Кстати, ее объем – 15-20 литров. Устройство сделано очень герметично, так что запах нечистот не чувствуется. Бак располагается снизу, поэтому нечистоты опускаются в него самотеком. При этом он заполняется или биологическими веществами типа торфа, или водой.
Очистка бака – мероприятие обязательное. По мере его заполнения надо будет отсоединить верхнюю часть от нижней, опорожнить бак и промыть его водой. К сожалению, данная конструкция не позволяет сказать, что она может работать без откачки, но это явно туалет без ямы на даче.
Есть еще один вариант, который биотуалетом назвать, наверное, нельзя, потому что в основе переработки нечистот лежит химически активный реагент. Он располагается в нижнем баке, куда сливаются фекалии. При этом, воздействуя на органику, химреагент:
- дезодорирует сброшенные в бак нечистоты;
- препятствует образованию газов, которые обычно выделяются в процессе биологической утилизации;
- перерабатывает органику в жидкий продукт, который с фекалиями ничего общего не имеет.


При этом данный продукт пахнет именно химическим веществом, а не естественным запахом, присущим туалетам. Правда, накопленный в баке продукт придется утилизировать. Поэтому этот вариант можно отнести к категории туалетов для дачи без запаха. Как таковой откачки то же нет, потому что бак представляет собой герметичный сосуд, который опорожняется вручную без использования каких-либо приспособлений или оборудования в виде насоса.
Кстати, производители сегодня предлагают компактные биотуалеты с разными функциональными опциями. К примеру, с установкой поршневого насоса, с помощью которого производится смыв нечистот в нижний бак. Или устанавливается индикатор уровня наполнения бака. В некоторых моделях устанавливается воздушный клапан, который сбрасывает давление внутри резервуара. От количества опций зависит и цена изделия.
Что касается химикатов, которые используются в данной туалетной установке, то сегодня в основном применяют две их разновидности.
- На основе аммониевых соединений. С помощью этих реагентов туалетная масса перегнивает за 3-7 дней.
- На основе азотных соединений. Они действуют эффективнее, два-три дня и в туалете ничего не остается. Правда, этот реагент дороже первого.


Пудр-клозет
Свое название этот вид дачного туалета получил по способу его эксплуатации. То есть, каждый раз при его посещении, фекалии посыпались сверху природными материалами: опилками, листьями, золой, сухой землей и так далее. Производилось своеобразное припудривание. При этом запах нечистоты не выделяли, а под действием биологически активных бактерий перерабатывались.
Самое главное, что в качестве емкости, куда сбрасывались нечистоты и где они припудривались, использовалась не яма, а какой-нибудь резервуар. При этом старались разграничить мочу и фекалии, то есть, сбрасывались они в разные емкости. Поэтому пудр-клозет имеет и другое название – сухой туалет.


В зависимости от объема нижнего бака будет зависеть и периодичность его очистки. Но здесь есть один нюанс – чем больше бак, тем тяжелее его вытаскивать. Поэтому стоит определить его объем сразу, плюс, контролировать наполнение.
Что выбрать
Вопрос, какой туалет без ямы для дачи выбрать, здесь определяет возможность полностью отказаться от его обслуживания. То есть, все вышеперечисленные модели гарантируют отсутствие неприятного запаха. Но некоторые из них требуют участия человека в утилизации конечного переработанного продукта.
Поэтому из всех трех разновидностей к категории туалета для дачи без запаха и откачки относится только модель, соединенная с септиком. И хотя она сложна по конструктивным характеристикам и в плане сооружения, плюс, это самый дорогой вариант, но он и самый эффективный. Если все провести грамотно и обеспечить полную герметичность емкостей септика, то можно гарантировать полное отсутствие неприятного запаха. А откачку, как уже было сказано выше, можно будет проводить один раз в три-четыре года.


Надо отметить, что туалет с септиком можно соорудить своими руками, тем самым сэкономив на строительстве. К примеру, для этого можно взять две пластиковые бочки емкость по 200 литров. Обе устанавливают рядом друг с другом в выкопанной под туалетом яме. При этом необходимо учитывать тот момент, что придет время, и их надо будет очищать. Поэтому резервуары надо установить так, чтобы была возможность провести их чистку. К примеру, установить ближе к краю ямы, а слив сделать с наклоном в сторону емкости. Или одну установить ближе к задней стенке туалета, а вторую вообще вывести из-под него.
Соединение (перелив) можно сделать обычной пластиковой трубою диаметром 110 мм. Ведь основной осадок будет происходить в первой бочке. А во вторую будет сливаться практически осветленная вода с мелкими частичками нечистот. Поэтому данного сечения трубы будет достаточно. Что касается отвода осветленной воды из второго резервуара, то здесь придется выбирать из двух вариантов:
- фильтрационный колодец;
- поля фильтрации.
Для небольшого туалета оптимальное решение – колодец. Можно сброс производить и в общую канализацию дачи, если такая предусмотрена проектом и сооружена.


Септик – это решение многих проблем. Но его к уличному туалету не подключают. И хотя был разобран такой вариант и обозначены его положительные стороны, дачники его обходят стороной. В данном случае идеально, если к септику подключить домашний внутренний туалет. То есть, создать полноценную канализационную систему. Такой туалет для дачи можно назвать и без запаха, и без откачки. Уличные же сооружения чаще всего оборудуются именно выгребными ямами, которые приходится откачивать.
Но сделать их без запаха можно.
- Во-первых, должна быть собрана хорошо работающая вентиляция. При этом конец ее трубы обязательно выводится выше здания самого туалета.
- Во-вторых, отверстие в туалете должно закрываться плотной крышкой. Если устанавливается обычный унитаз, то проблему запаха решает гидрозатвор.
- В-третьих, надо почаще использовать чистящие средства, которые убивают запах нечистот. К примеру, та же хлорная известь отбивает резким своим запахом все остальные.
Как видите, сделать туалет на даче без запаха и откачки можно, если учитывать некоторые требования к его эксплуатации. Но, как показывает практика, дачники в основном идут по пути экономии. Никто не хочет заниматься сложными проектами, тем более, если дача оживает только в теплое время года. Поэтому для таких условий оптимальное решение – выгребная яма. Что неизменно волнует многих дачных жителей, то это внешний вид туалетного домика. Поэтому на дачных участках появляются очень даже оригинальные строения.